صينية خبز البرجر وخبز الرول
Hamburger Bun Pan & Roll Pan
صممت صينية خبز البرجر هذه خصيصاً لمصانع الأغذية متوسطة وكبيرة الحجم وخطوط الإنتاج الآلية، مما يتيح إنتاج كميات كبيرة لتلبية احتياجات المخابز ومصانع تجهيز الأغذية ومطاعم تقديم الطعام.
صنعت الصينية من الفولاذ المطلي بالألومنيوم بتقنية السحب العميق، وتتميز بسطح أملس سهل التنظيف بدون زوايا. تتميز قوالب الخبز بقاعدة ناعمة ومنحنية (مع خيارات إضافية للأقواس) لزيادة مساحة التلامس، مما يضمن خبز مسطحًا ومتجانس الشكل ومقاومًا للتشوه. تتوفر خيارات طلاء مانع للالتصاق عالية الأداء، بما في ذلك طلاء PFA عالي الأداء (يتحمل حوالي 3000 دورة) وطلاء التفلون الاقتصادي (يتحمل حوالي 1500 دورة)، لضمان سهولة إخراج الطعام ومظهر نهائي ممتاز.
الخصائص
يرجى تأكيد المعايير التالية لمجموعة قوالب الخبز المخصصة:
- جودة ثابتة: يضمن التصنيع الصناعي عالي الجودة توحيد وتجانس عاليين.
- كفاءة عالية: متوافق تمامًا مع الأنظمة الآلية، مما يقلل بشكل كبير من متطلبات العمالة.
- حلول مصممة خصيصاً: قابلة للتخصيص من حيث الحجم والشكل والمادة لتناسب احتياجات الإنتاج المحددة.
- نظافة فائقة: يمنع التصميم المتكامل والكامل وجود أي فجوات قد تتراكم فيها البقايا، مما يعزز سلامة الغذاء.
- طلاء مانع للالتصاق عالي الجودة: خيارات طلاء متعددة مدعومة بخط الطلاء الخاص بنا لضمان خصائص مانعة للالتصاق عالية الأداء ومتسقة.
عينات المنتج
المواصفات
صينية خبز البرجر
قالب خبز برجر 3.5 أنش

- الموديل:
TS1602 - المعالجة السطحية: PTFE
- الأبعاد (L×W×H): 600 × 400 × 40 مم
- عدد القوالب: 15
- المواد: فولاذ مطلي بالألومنيوم
- الشكل: مسطح
- السمك: δ0.8 mm
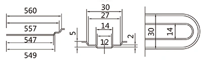
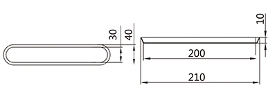
- مخطط المقاسات
(القطر العلوي/القطر السفلي/الارتفاع):
قالب خبز برجر 3.5 أنش

- الموديل:
TS1645 - المعالجة السطحية: PTFE
- الأبعاد (L×W×H): 600 × 400 × 40 مم
- عدد القوالب: 15
- المواد: فولاذ مطلي بالألومنيوم
- الشكل: محدب
- السمك: δ0.8 mm
- مخطط المقاسات
(القطر العلوي/القطر السفلي/الارتفاع):
قالب خبز برجر 4 أنش

- الموديل:
TS1604 - المعالجة السطحية: PTFE
- الأبعاد (L×W×H): 600 × 400 × 40 مم
- عدد القوالب: 15
- المواد: فولاذ مطلي بالألومنيوم
- الشكل: محدب
- السمك: δ0.8 mm
- مخطط المقاسات
(القطر العلوي/القطر السفلي/الارتفاع):
قالب خبز برجر 3.5 أنش

- الموديل:
TS1621 - المعالجة السطحية: PTFE
- الأبعاد (L×W×H): 738 × 503 × 43 مم
- عدد القوالب: 24
- المواد: فولاذ مطلي بالألومنيوم
- الشكل: محدب
- السمك: δ0.8 mm
- مخطط المقاسات (القطر العلوي/القطر السفلي/الارتفاع):

قالب خبز برجر 3 أنش

- الموديل:
TS1608 - المعالجة السطحية: PTFE
- الأبعاد (L×W×H): 600 × 400 × 35 مم
- عدد القوالب: 15
- المواد: فولاذ مطلي بالألومنيوم
- الشكل: سطح
- السمك: δ0.8 mm
- مخطط المقاسات (القطر العلوي/القطر السفلي/الارتفاع):

قالب خبز برجر 4 أنش

- الموديل:
DZ141067 - المعالجة السطحية: PTFE
- الأبعاد (L×W×H): 738 × 503 × 43 مم
- عدد القوالب: 24
- المواد: فولاذ مطلي بالألومنيوم
- الشكل: سطح
- السمك: δ0.8 mm
- مخطط المقاسات (القطر العلوي/القطر السفلي/الارتفاع):

صينية خبز الرول
شريط في الحافة

- الموديل:
TS1606 - المعالجة السطحية: PTFE
- الأبعاد (L×W×H): 600 × 400 × 30 مم
- عدد القوالب: 15
- المواد: فولاذ مطلي بالألومنيوم
- الشكل: محدب
- السمك: δ0.8 mm
- مخطط المقاسات (القطر العلوي/القطر السفلي/الارتفاع):


- الموديل:
TS1610 - المعالجة السطحية: PTFE
- الأبعاد (L×W×H): 600 × 400 × 45 مم
- عدد القوالب: 6
- المواد: فولاذ مطلي بالألومنيوم
- السمك: δ0.8 mm
- مخطط المقاسات (القطر العلوي/القطر السفلي/الارتفاع):


- الموديل:
TS12211073 - المعالجة السطحية: PTFE
- الأبعاد (L×W×H): 530 × 380 × 30 مم
- عدد القوالب: 8
- المواد: فولاذ مطلي بالألومنيوم
- السمك: δ0.7 mm
- مخطط المقاسات (القطر العلوي/القطر السفلي/الارتفاع):


- الموديل:
TS1616 - المعالجة السطحية: PTFE
- الأبعاد (L×W×H): 600 × 400 × 45 مم
- عدد القوالب: 12
- المواد: فولاذ مطلي بالألومنيوم
- السمك: δ0.8 mm
- مخطط المقاسات (القطر العلوي/القطر السفلي/الارتفاع):


- الموديل:
TS1614 - المعالجة السطحية: PTFE
- الأبعاد (L×W×H): 600 × 400 × 33 مم
- عدد القوالب: 10
- المواد: فولاذ مطلي بالألومنيوم
- السمك: δ0.8 mm
- مخطط المقاسات (القطر العلوي/القطر السفلي/الارتفاع):


- الموديل:
DZ151038 - المعالجة السطحية: PTFE
- الأبعاد (L×W×H): 660 × 458 × 37.7 مم
- عدد القوالب: 15
- المواد: فولاذ مطلي بالألومنيوم
- السمك: δ0.8 mm
- مخطط المقاسات (القطر العلوي/القطر السفلي/الارتفاع):

صينية فرن الكرواسون

- الموديل:
TS1618 - المعالجة السطحية: PTFE
- الأبعاد (L×W×H): 600 × 400 × 45 مم
- عدد القوالب: 16
- المواد: فولاذ مطلي بالألومنيوم
- السمك: δ0.8 mm
- مخطط المقاسات (القطر العلوي/القطر السفلي/الارتفاع):

- الموديل:
TS1122 - المعالجة السطحية: PTFE
- الأبعاد (L×W×H): 530 × 380 × 33 مم
- عدد القوالب: 12
- المواد: فولاذ مطلي بالألومنيوم
- السمك: δ0.8 mm
- مخطط المقاسات (القطر العلوي/القطر السفلي/الارتفاع):

مخططات اختيارية






- A: الطول الكلي
- B: العرض الكلي
- C: الارتفاع
- D: قطر الجزء العلوي من الكوب
- E: قطر الجزء السفلي من الكوب
- F: عمق الكوب
- G1: الطول من كوب إلى كوب
- G2: العرض من كوب إلى كوب
بدون طلاء، سيليكون T-ReXL PTFE
تواصل معنا اليوم
نقدم أكثر من مجرد أدوات مخبوزات صناعية. نوفر أيضاً دعم شامل، بداية من تصميم القوالب المخصصة وصولاً إلى خطوط إنتاج المخبوزات المتكاملة.
وتساب: +86-17368160555 البريد الإلكتروني: jackiema@t-shine.netبخبرة تزيد عن 20 عام في صناعة المخبوزات، تدير شركة T-Shine منشأة متحصلة على شهادة ISO تبلغ مساحتها 48,000 متر مربع، ومجهزة بأكثر من 1,300 قالب. نتخصص في أدوات المخبوزات الصناعية وخطوط إنتاج المخبوزات المتكاملة، ونستخدم تقنية الطلاء غير اللاصق T-ReXL الحاصلة على براءة اختراع، والتي تضمن متانة فائقة وسهولة إزالة المخبوزات.








